Баки СМА Аристон и Индезит выполняются не разборными, монолитными. То есть обе половинки бака, внутри которого находится барабан невозможно отделить друг от друга, просто ослабив крепление.
Половинки приварены одна к другой намертво. С помощью ультразвуковой сварки, которая фактически и не сварка вовсе. Пластиковые полубаки прижимаются кромками. К одному из них прикладывается устройство с ультразвуковой частотой вибрации. На стыке за счёт эффекта трения моментально увеличивается температура, пластик плавится с обоих сторон, полубаки надёжно спаиваются. После остывания получается монолитное герметичное соединение. Барабан уже внутри. И никаких болтовых креплений.
Чтобы снять бак стиральной машины Аристон нужно демонтировать все детали крепления, а также те, что закрывают доступ. А это фактически более 50% всех частей СМА.
Начнём!
Инструменты для распила бака стиральной машины
Одной из самых серьезных поломок автоматической стиральной машины любого производителя является выход из строя подшипников барабана. Пусть сами они стоят недорого, но в ходе замены придется полностью разобрать устройство, демонтировать панели, распилить бак стиральной машины, а после склеить его и установить на место. Это трудоемкий процесс, но справиться с работой своими силами вполне реально.
Инструменты для разборки барабана
Для того, чтобы разобрать барабан стиральной машины indesit, LG, Веко или любой другой фирмы, понадобятся следующие инструменты:
- Набор отверток, среди которых обязательно должна быть крестообразная и шлицевая насадка.
- Шуруповерт.
- Набор шестигранников.
- Кусачки или пассатижи, молоток.
Кроме того, в случае необходимости замены определенных деталей, необходимо заранее приготовить их (в случае, если имеется подозрение на определенную поломку).
Большинство стиральных машин имеют горизонтальную загрузку, однако встречаются модели и с вертикальной загрузкой. Рассмотрим детальнее, как подготовить стиральную машину с вертикальной и горизонтальной загрузкой перед демонтажем барабана.
Предпосылки к началу работы
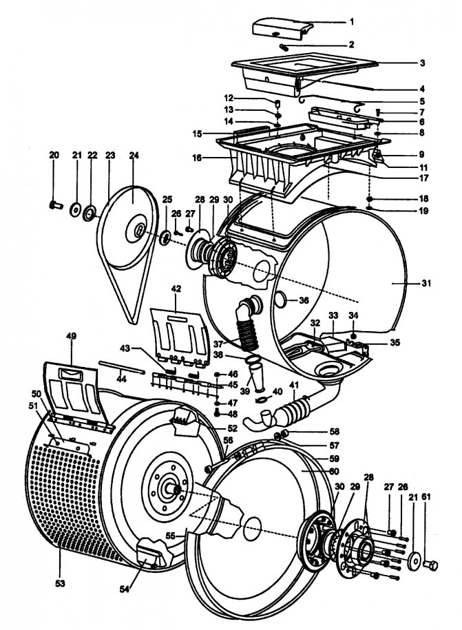
Бак — это основная часть стиральной машины, данное утверждение справедливо для всех моделей Индезит, Ардо, Самсунг и прочих производителей. Именно внутри бака вращается барабан, именно в нем проходит процесс стирки. По типу исполнения различают бак разборный и неразборный. Если в первом случае разобрать его просто – достаточно открутить несколько болтов, то во втором кроме инструмента потребуется еще и смекалка.
Как уже упоминалось, распилить неразборный бак нужно для замены подшипников барабана, но не только. Данная процедура необходима в следующих случаях:
Разборка барабана
Как разобрать барабан стиральной машины Индезит, Электролюкс и т.п.? Для этого необходимо найти место крепления двух половинок барабана (в случае, если барабан не цельный) и снять винты, которые крепят их.
При разборке внимательно осматриваем состояние сальников и других деталей – в случае необходимости, их нужно протереть от грязи.
Сальники достаются из загрузочного бака обычной плоской отверткой (для этого необходимо поддеть сальники). Подшипники выбиваются молотком и металлическим прутом, диаметр сечения которого совпадает с диаметром подшипников. Демонтировать составляющие части барабана нужно осторожно, чтобы не повредить его целостность. Замена подшипников производится достаточно сложно, поэтому использовать инструменты необходимо с высокой точностью и аккуратностью.
Для того, чтобы детально разобраться в процессе демонтажа загрузочного бака, мы предлагаем читателям видео, на котором наглядно поясняются главные моменты и показывается порядок разборки барабана стиральной машины:
Ножовка по металлу
Пожалуй, лучший инструмент из всех возможных. Отлично подойдет для того, чтобы распилить бак стиральной машины Аристон, LG, Самсунг и ряда других популярных марок. Срез получается тонким, ровным, аккуратным. Если распил выполнен качественно, то в ходе последующей сборки точно не возникнут сложности. Инструмент практически идеальный, единственным же существенным его недостатком является тот факт, что работать придется руками, а само мероприятие займет немало времени.
Стиральные машины с вертикальной загрузкой
Стиральная машина, в конструкции которой предусмотрена вертикальная загрузка, занимает мало места и более эргономична, нежели стандартные стиральные машины Аристон, Бош или Самсунг с загрузкой белья с фронтальной плоскости. Загрузочный бак у таких моделей закреплен с помощью винтов. Демонтаж барабана производится следующим образом:
- Отверткой снимаются шурупы, закрепляющие заднюю стенку и нижнюю переднюю часть.
- Боковая панель отодвигается в сторону, после чего полностью снимается со стиральной машины.
- По окружности кожуха демонтируется проводка и откручиваются шурупы.
Далее производятся те же действия, что и в случае в первом случае – откручивается винт, фиксирующий вал, а после вытаскивается барабан.
Электрический лобзик
С помощью электролобзика ту же работу можно выполнить гораздо быстрее, притом не прилагая особых усилий. Данный инструмент отлично подойдет для того, чтобы распилить бак стиральных машин Электролюкс, Индезит, Ардо. Рез получается тонким, но от мастера потребуется максимум аккуратности, надо постоянно следить за тем, чтобы инструмент не «повело», а также контролировать выход пилочки, иначе можно повредить поверхность барабана.
Стоит ли браться за работу
Чаще всего барабан стиральной машины разбирают для того, чтобы заменить вышедшие из строя подшипники. Выявить данную поломку несложно, достаточно просто провернуть его вручную и прислушаться. Если ощущается сопротивление вращению, слышны сторонние шумы, как правило, хруст и треск – подшипники надо менять.
Вне всяких сомнений, замену подшипников, как и ряд других работ, может выполнить специализированный сервисный центр, вот только стоимость услуг мастера часто неоправданно завышена, особенно это актуально в случае ремонта машины с неразборным барабаном. Ни один сервисный центр не возьмется за ремонт подобного рода, предложив вместо замены подшипника установку нового модуля.
Если ремонтировать в мастерской дорого, есть время, желание, инструмент и опыт подобного рода работ, разобрать любой барабан можно самостоятельно, важно только быть крайне аккуратным и внимательным.
Обушковая пила
Пила по дереву с широким полотном и мелким зубом также дает неплохие результаты. Шов получается немного шире, чем при использовании ножовки по металлу, зато распилить бак можно за существенно меньшее время, а благодаря конструктивным особенностям инструмента легко контролировать точность среза. Конечно, как и в случае ножовки — это ручной труд, со всеми вытекающими последствиями.
Болгарка и дисковая пила
Не лучший инструмент, которым можно распилить бак стиральной машины. Основная проблема болгарки заключается в том, что она не пилит, а плавит пластик. Как следствие: рваные оплавленные края, широкий шов, большая вероятность испортить поверхность. При этом болгарка отлично подойдет для того, чтобы распилить прикипевшие крепежные детали металлического бака, к примеру, из тех, которые устанавливаются в машинах Bosch верхнего ценового сегмента. У дисковой пилы также есть недостатки. Пилит она хорошо, но «гуляет», необходимо постоянно удерживать ее на линии реза.
Как несложно заметить, идеального инструмента нет, да и быть не может. Чтобы быстро и качественно распилить бак любой стиральной машины нужно выбирать оптимальный вариант для каждого участка. К примеру, на гладкой поверхности можно использовать электролобзик, а места с выступающими элементами обработать пилой (обушковой или ножовкой по металлу).
Основные этапы работы
Первое, что нужно сделать – разобрать стиральную машину и демонтировать бак. Порядок разборки индивидуален и напрямую зависит от марки и модели стиральной машины.
Бак следует положить на ровную поверхность и осмотреть. Лучше распилить его по сварному шву ближе к уплотнительной манжете, но прежде чем браться за инструмент стоит подготовиться к последующей сборке. Для этого по периметру шва нужно просверлить отверстия диаметром 3-5 мм с шагом 50-80 мм, впоследствии в них будут ввинчены болты, которые обеспечат надежность и герметичность собранного бака.
Теперь можно пилить. Самое важное в этом деле – отсутствие спешки. Неважно, используется ли ручной инструмент или электрический нужно добиться максимально ровного среза. Пилят по кругу, при необходимости меняя инструмент. В результате должно получиться относительно тонкое кольцо с манжетой и своеобразный стакан с барабаном. Работа выполнена, можно переходить к замене деталей.
Стиральные машины с фронтальной загрузкой
Прежде чем быть разобранной, стиральная машина должна быть отключена от сети. Также перед разборкой необходимо вытащить сливной шланг, а шланг подачи воды перекрыть. Далее начинается непосредственный процесс разборки:
- Отверткой откручиваются шурупы, которые держат заднюю панель стиральной машины.
- Аналогично снимается передняя панель и верхняя часть.
- Демонтируется загрузочный контейнер для порошка и, используя шлицевую отвертку, снимается панель управления. Отметим, что панель не требуется полностью вытаскивать из стиральной машины – достаточно её разместить сбоку, чтобы не мешала процессу разборки барабана.
- Следующим шагом необходимо снять манжету люка, после этого снимается нижняя панель как указано в шаге 1 и 2.
- На нижней панели располагаются винты, которые также необходимо открутить – это последний шаг перед тем, как демонтировать бак.
- От загрузочного бака (барабана) необходимо демонтировать все подсоединенные элементы – амортизаторы, электронику, а также другие запчасти. Следующим шагом нужно отключить мотор, который располагается на задней части барабана. В случае, если вы ни разу не сталкивались с ремонтом стиральной машины и барабана, необходимо предварительно просмотреть видео, на котором показывается, как правильно производится демонтаж оборудования, а также производится установка барабана в обратном порядке.
В некоторых моделях стиральных машин устанавливается клееный (или, по-другому, неразборный бак) барабан – в таких случаях даже сервисные центры отказываются от проведения демонтажа, и в таком случае может понадобится распиливание самого барабана для проведения ремонтных работ.
Чем разрезать бак для замены подшипников?
Замена подшипников в машинке-автомате — процесс довольно трудоемкий, ведь чтобы их заменить, приходится разбирать пластиковый бак. Но серьезная проблема, которая может возникнуть уже на первом этапе проведения процедуры, заключается в неразборной конструкции последнего. Сегодня с подобной ситуацией все чаще сталкиваются владельцы современных СМА таких марок, как «Занусси», «Самсунг», «Аристон», «Сименс». Поэтому чтобы произвести замену подшипника, приходится разрезать бак стиральной машины. Как разобрать неразборную деталь и чем лучше это сделать, рассказывает автор видео на канале «МастерПлюс».
Меняем сломанный подшипник
Для замены подшипников нужны сами «кольца». Чтобы не ошибиться с размером комплектующих, необходимо уточнить серийный номер стиральной машинки в заводской инструкции или на маркировке, наклеенной на задней панели автомата. После сообщаем комбинацию консультанту или делаем интернет-заказ на сайте производителя. Есть и другой вариант – демонтировать старые детали, принести с собой и попросить продавца подобрать аналогичные.
Получив новые комплектующие, начинаем ремонт узла:
- подшипник поменьше устанавливаем с внешней стороны барабана, заходя с задней стенки;
- фиксируем кольцо с помощью молотка и выколотки (забивая подшипник, необходимо направлять молоток строго по наружной части обоймы, так как «внутренние» удары повредят деталь);
Подшипниковый узел состоит из двух обойм: первая, поменьше, устанавливает внизу, а вторая, побольше, размещается сверху.
- приставляем к посадочному месту второй подшипник;
- фиксируем обойму одним ударом молотка;
- вбиваем кольцо по стандартной схеме;
- поверх колец устанавливаем сальник.
Заканчивается замена обработкой герметиком. Сальник, место стыка и вал обильно смазываются влагоотталкивающим составом, что повысит износостойкость и прочность конструкции, продлит срок службы подшипникового узла. Без такого защитного слоя резиновая прокладка быстро придет в негодность: при стирке вода просочится в механизм и испортит его.
Требования к инструменту для разборки бака
По мнению мастера по ремонту СМА, рабочее приспособление для проведения этой процедуры должно:
Почему это так важно, мастер объясняет на схематическом изображении конструкции стиралки в разрезе. На фото черным маркером обозначен бак, синим — барабан, зеленым — резина манжеты люка.
После разрезки первоначальная конструкция СМА нарушается, поскольку внутренняя стенка разрезанного бака смещается в сторону барабана, тем самым увеличивая зазор между последним и манжетой.
Такая ситуация для СМА «не смертельна», но посторонние шумы («писки» от соприкосновений манжеты с барабаном) во время стирки могут появиться. Такое часто встречается после замены подшипников в стиралках марки «Индезит».
Поэтому чем тоньше будет разрезной шов, тем меньше вероятность возникновения подобной ситуации.
Практическое применение инструментов
Первое тестируемое приспособление — ножовка по работе с металлом, которую мастер применяет в 90 % случаев.
Она справилась с поставленной задачей: разрез получился ровным, аккуратным, а также максимально тонким.
Единственный минус ее использования — это физический труд.
Вариант разборки с применением болгарки оказался хоть и быстрым, но не практичным и далеко не безопасным.
Пластик по большей части не разрезался, а плавился, разлетаясь при этом по сторонам. Сам шов получился толстым.
Дисковая пила оказалась неудобной в плане применения, поскольку сам шуруповерт (в процессе тестирования был использован вместо бормашины) приходилось постоянно удерживать, чтобы он не слетал в сторону.
Да и сам разрез, оставленный пилой, получился рваным.
Результаты тестирования реноватора оказались практически такими же, как и в случае с болгаркой.
При повышении оборотов электроинструмент больше плавил пластик, чем его резал. Вывод один — неудобно и неэффективно, а сам разрез получился некачественным.
Электрическим лобзиком пластиковую конструкцию распилить удалось, не прилагая при этом больших усилий.
Управлять им было удобно и легко. Но автор отмечает, что опускать лобзик глубоко вниз опасно, поскольку есть риск повредить барабан. Поэтому здесь главное не переусердствовать и максимально контролировать этот процесс. Шов получился более-менее нормальным.
Ножовка «обушковая» (с широким полотном и мелким зубом) хорошо справилась с поставленной задачей.
Но, как и в случае с первым тестируемым инструментом, для этого мастеру пришлось приложить немало физических усилий.
Цепную пилу автор видео заменил на аккумуляторную мини-пилку Bosch EasyCut 12.
Электроинструмент качественно и быстро проделал разрез. Шов получился ровным, но широким.
Располовиним склеенный бак
Разборка склеенного бака будет отличаться от работы с «новым» резервуаром. В первую очередь это коснется фиксации, так как после ремонта он будет крепиться не только саморезы, но и на герметик. Первые выкручиваются просто, а со вторым придется повозиться – засохший клей держит хорошо и удаляется небыстро.
Некоторые «умельцы» предлагают удалить герметик острым ножом, расковыривая и срезая. Однако делать это опытные мастера не рекомендуют по двум причинам. Во-первых, это слишком долго и неэффективно. Во-вторых, лезвие может соскочить с намеченной траектории и проткнуть бак, создав новую проблему. Куда безопаснее и результативнее пойти другим путем: распилить резервуар ножовкой с мелкими рубцами, пройдя по кругу вдоль шва. Повторный распил пройдет легче, так как сопротивление станет оказывать только слой засохшего клея. Главное, действовать предельно осторожно, ориентируясь на старую «дорожку». Даже малейший скос испортит бачок – склеивать его будет крайне сложно.
Оставшийся после первичного склеивания герметик необходимо удалить со шва.
Недостаточно просто располовинить бак – важно удалить остатки герметика. Слой засохшего клея не даст склеить резервуар, поэтому необходимо счистить его со шва. Действуем так: берем мелкозернистую наждачную бумагу и шлифуем срез, не заходя на пластик. После стряхиваем крошку тряпкой и приступаем к ремонту подшипникового узла.



























